欣旺达取得“芯片过流保护检测电路”专利
2024-11-15来源:芯友记
根据国家知识产权局公开信息显示,欣旺达电子股份有限公司取得“芯片过流保护检测电路”专利。
授权公告号:CN221976986U
申请日期:2024年2月5日
发明人:尤斌、刘仕臻、武家超、梁娟、杨盛兴、田鹏、彭程鹏、董静、庞敏、黄联兵、蒋建秋

图源:国家知识产权局官网
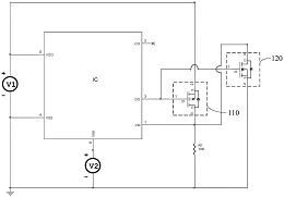
专利摘要:
本申请公开了一种芯片过流保护检测电路,包括电池保护芯片、第一电压源、第二电压源、第一通断装置、第二通断装置和第一电阻,电池保护芯片的电芯电压检测端与第一电压源的正极连接,第一电压源的负极与地端连接;电池保护芯片的过流检测端与第二电压源的正极连接,第二电压源的负极与地端连接;电池保护芯片的放电控制端分别与第一通断装置的控制端和第二通断装置的控制端连接,第一通断装置的第一端与电芯电压检测端连接,第一通断装置的第二端与第一电阻的第一端连接,第一电阻的第二端与地端连接,第二通断装置的第一端与地端连接;电池保护芯片的负载输入负端分别与第一通断装置的第二端和第二通断装置的第二端连接。