浅谈四线电阻测量法在电动工具温升试验中的应用

2022-10-12来源:电动工具领跑者
GB 3883.1《手持式电动工具的安全 第一部分:一般要求》中规定,电动工具的温升试验中需要测量电机绕组的温度。以串激电机为例,通过测量电机定转子绕组的温升来判断系统是否达到要求的绝缘等级、漆包线和其它绝缘材料是否满足要求。因为绕组机构特殊,不能采用热电偶法获得温升值,但绕组的电阻值随着温度的升高也相应地增加,在一定范围内,其电阻值与温度之间存在一定的函数关系。根据这一原理,可以通过测量绕组的电阻值来获得整个绕组的平均温度。

图片
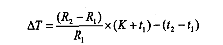
电阻法计算温升的公式如下所示
图片
△T-绕组温升值;
R1-测试开始时的冷态电阻值;
R2-测试结束时的热态电阻值;
K-对铜绕组系数为234.5,对铝绕组系数为225;
t1-测试开始时的室温;
t2-测试结束时的室温。

多年来,电动工具的电机绕组温升的测量一直困扰着该领域的技术人员。面临的主要难题有以下两点:

-如何找到合适的测量点

分解机器、打引线孔、通过换向器的导电铜片对/从定子绕组两边取点等等。

-每当温升试验结束,需要立刻读出绕组的电阻值。

图片

VDE试验室的每次温升测试,都像如临大敌,两名工程师严阵以待,争取在最短的时间内取得最佳的读数,基本可以做到2秒读出定子绕组的电阻值,3-5秒读出转子绕组对的电阻值。从而保证测量结果最接近于最不利的温度。

图片

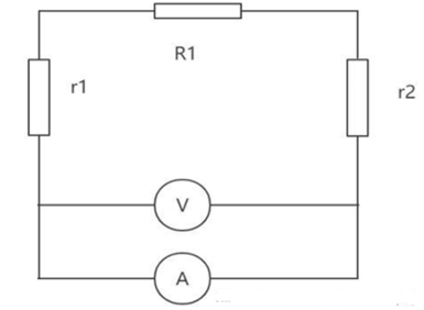
两线电阻测量法的弊端


尽管如此,由于测量对象绕组的电阻非常小,通常是毫欧级别的,即便是人为误差控制得再好,如果采用普通的两线法测量,仍然会有很多不确定性(主要是接触电阻和引线电阻带来的影响),有时候难以获得准确的测量结果。如图所示,两线法测量的电压包括被测电阻R1的两端电压、感知线电阻r1和r2两端的电压。 
图片
图片

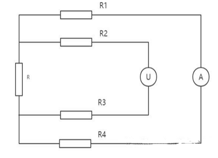
优选四线电阻测试法


四线电阻测试即测量一个回路的绕组使用两对引线,引线的长短可以不必特意最小,保持合适的测试距离连接到测试设备和待测点即可。绕组两端为两个测试点,每个测试点都有一个电流激励线(电流供给回路)和一条电压采样线(电压测定回路),二者分别与另一个测试点构成独立的回路。电压采样线接至一个有极高输入阻抗的采样测试回路中,这样使采样检测回路的电流极小,近似为零,故电压测定回路中排线阻抗、接触阻抗、内部阻抗皆可忽略,因此可精确测得被测电阻之微小阻值。电流供给回路两端子与电压测定回路两端子共计四端子,故称四线测试。

图片

图片

VDE如何进行测量


试验中VDE实验室使用KEITHLEY的2700进行测试。使用该设备的两个通道分别测量定子和转子绕组的阻值。在厂家规定的环境温度范围内,获取的读数基本上和客户的设计值一致。保证了试验数据读取的快速,准确,可靠。?

图片

VDE专注于测试的每个细节,精益求精。安规试验并非高科技,但需要尊重每一个细节,才能使试验数据可靠可信,具有充分的可重复性。这是一门实践的科学,只有扎扎实实地对待每一个细节,不断提升测试水平,才能发现问题并改进,才能促进产品质量的提高。


AI问答